Комплектація показана на прикладі овального сепаратора жиру з нержавіючої сталі. Для інших матеріалів і форм внутрішніх сепараторів комплектація аналогічна.
Сепаратори жиру ACO LIPATOMAT

LIPATOMAT ®-PE
Сепаратор жиру з поліетилену
Cепаратори, виготовлені з поліетилену РЕНD, мають вбудований відстійник та встановлюються в незамерзаючих приміщеннях. Надійна та міцна конструкція сепаратора забезпечує тривалий термін експлуатаціїї-25 років.
Технічні особливості:
- Оптимальне рішення для розташування в приміщеннях, де немає можливості прямого доступу асенізаційної машини
- Відповідіність нормам EN 1825-1 номінальних розмірів NS (4/10/20/25)
- Зона накопичення жиру та осаду має форму конусу
- Підключення труби входу/виходу DN 100/150 або 200 (OD 110/160 або 200)
- Вентиляційний міст для з'єднання вхідних та вихідних патрубків
- Автоматичне видалення жиру та осаду
- Електричний нагрівальний елемент для гомогенізації жирового шару
- Пристрій для заповнення з регулятором тиску
- Проба жиру для визначення максимального жирового шару
- Компресор постачання повітря для кулькових клапанів
- Пульт керування для змішувача, нагрівального елемента, пристрій заповнення, проба жиру, видалення жиру та осаду
| Ном. розмір NS | Діаметр DN | Розміри ∅DxH, мм | V жиру, л | Вага (порожній), кг | Вага (заповнений), кг | Артикул |
|---|---|---|---|---|---|---|
| 4 | 100 | 1130 x 835 | 570 | 240 | 810 | 3574.70.10 |
| 10 | 150 | 1660 x 630 | 1570 | 380 | 1950 | 3580.70.10 |
| 20 | 200 | 1920 x 700 | 2250 | 440 | 2690 | 3590.70.10 |
| 25 | 200 | 1920 x 700 | 2500 | 470 | 2970 | 3595.70.10 |
| Ном. розмір NS | Діаметр DN | OD, мм | L, мм | B, мм | ∅D, мм | H1, мм | H2, мм | H3, мм | H4, мм | H, мм |
|---|---|---|---|---|---|---|---|---|---|---|
| 4 | 100 | 110 | 1950 | 1350 | 1050 | 1400 | 1330 | 1050 | 1050 | 1850 |
| 10 | 150 | 160 | 2500 | 1850 | 1520 | 1800 | 1730 | 1060 | 1390 | 2320 |
| 20 | 200 | 200 | 2750 | 2050 | 1770 | 1900 | 1830 | 1060 | 1450 | 2560 |
| 25 | 200 | 200 | 2750 | 2050 | 1770 | 2000 | 1930 | 1060 | 1530 | 2560 |
LIPATOMAT ®-PE
Сепаратор жиру з поліетилену
Cепаратори, виготовлені з поліетилену РЕНD, мають вбудований відстійник та встановлюються в незамерзаючих приміщеннях. Надійна та міцна конструкція сепаратора забезпечує тривалий термін експлуатаціїї-25 років.
Технічні особливості:
- Оптимальне рішення для розташування в приміщеннях, де немає можливості прямого доступу асенізаційної машини
- Відповідіність нормам EN 1825-1 номінальних розмірів NS (4/10/20/25)
- Зона накопичення жиру та осаду має форму конусу
- Підключення труби входу/виходу DN 100/150 або 200 (OD 110/160 або 200)
- Вентиляційний міст для з'єднання вхідних та вихідних патрубків
- Автоматичне видалення жиру та осаду
- Електричний нагрівальний елемент для гомогенізації жирового шару
- Пристрій для заповнення з регулятором тиску
- Проба жиру для визначення максимального жирового шару
- Компресор постачання повітря для кулькових клапанів
- Пульт керування для змішувача, нагрівального елемента, пристрій заповнення, проба жиру, видалення жиру та осаду
| Ном. розмір NS | Діаметр DN | Розміри ∅DxH, мм | V жиру, л | Вага (порожній), кг | Вага (заповнений), кг | Артикул |
|---|---|---|---|---|---|---|
| 4 | 100 | 1130 x 835 | 570 | 240 | 810 | 3574.70.10 |
| 10 | 150 | 1660 x 630 | 1570 | 380 | 1950 | 3580.70.10 |
| 20 | 200 | 1920 x 700 | 2250 | 440 | 2690 | 3590.70.10 |
| 25 | 200 | 1920 x 700 | 2500 | 470 | 2970 | 3595.70.10 |
| Ном. розмір NS | Діаметр DN | OD, мм | L, мм | B, мм | ∅D, мм | H1, мм | H2, мм | H3, мм | H4, мм | H, мм |
|---|---|---|---|---|---|---|---|---|---|---|
| 4 | 100 | 110 | 1950 | 1350 | 1050 | 1400 | 1330 | 1050 | 1050 | 1850 |
| 10 | 150 | 160 | 2500 | 1850 | 1520 | 1800 | 1730 | 1060 | 1390 | 2320 |
| 20 | 200 | 200 | 2750 | 2050 | 1770 | 1900 | 1830 | 1060 | 1450 | 2560 |
| 25 | 200 | 200 | 2750 | 2050 | 1770 | 2000 | 1930 | 1060 | 1530 | 2560 |
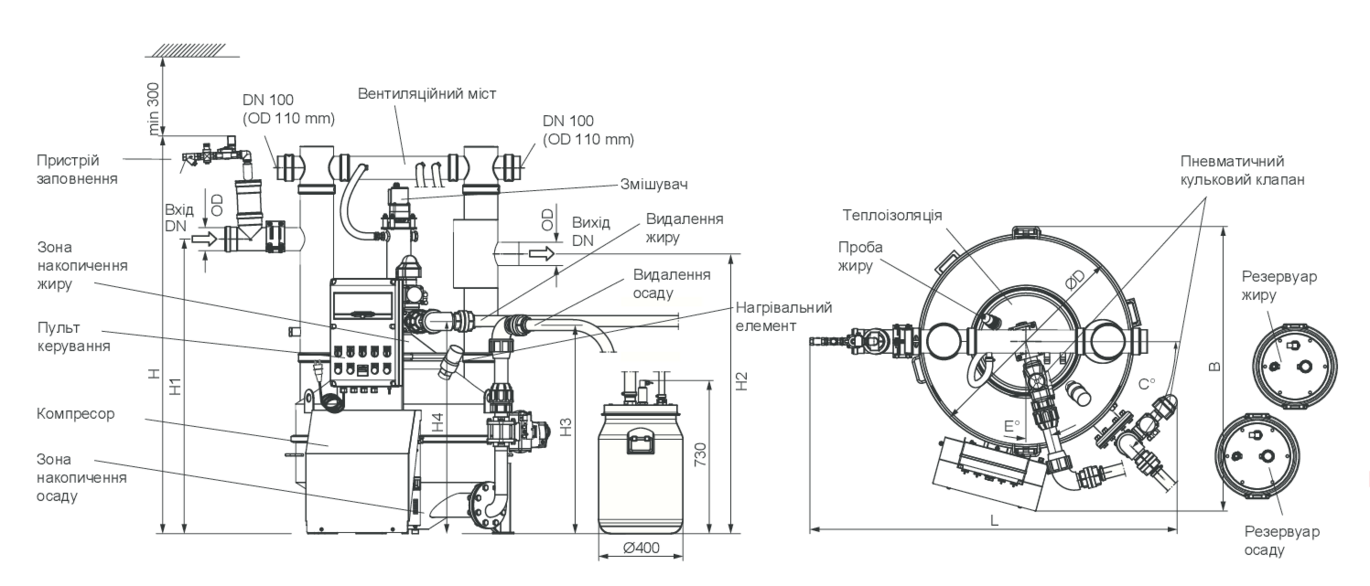
LIPATOMAT - VA
Сепаратор жиру з нержавіючої сталі
Cепаратори, виготовлені з нержавіючої сталі AISI 304, мають вбудований відстійник та встановлюються в незамерзаючих приміщеннях. Надійна та міцна конструкція сепаратора забезпечує тривалий термін експлуатаціїї-25 років.
Технічні особливості:
- Оптимальне рішення для розташування в приміщеннях, де немає можливості прямого доступу асенізаційної машини
- Відповідіність нормам EN 1825-1 номінальних розмірів NS (4/10/20/25)
- Зона накопичення жиру та осаду має форму конусу
- Підключення труби входу/виходу DN 100/150 або 200 (OD 110/160 або 200)
- Герметична система, не пропускає запахи
- Вентиляційний міст для з'єднання вхідних та вихідних патрубків
- Автоматичне видалення жиру та осаду
- Електричний нагрівальний елемент для гомогенізації жирового шару
- Пристрій для заповнення з регулятором тиску
- Проба жиру для визначення максимального жирового шару
- Компресор постачання повітря для кулькових клапанів
- Пульт керування для змішувача, нагрівального елемента, пристрій заповнення, проба жиру, видалення жиру та осаду
| Ном. розмір NS | Діаметр DN | Розміри ∅DxH, мм | V жиру, л | Вага (порожній), кг | Вага (заповнений), кг | Артикул |
|---|---|---|---|---|---|---|
| 2 | 100 | 750x880 | 220 | 220 | 440 | 7672.70.10 |
| 4 | 100 | 980x445 | 480 | 260 | 760 | 7674.70.10 |
| 10 | 150 | 1500x650 | 1400 | 370 | 1770 | 7680.70.10 |
| 20 | 200 | 1750x775 | 2020 | 430 | 2450 | 7690.70.10 |
| 25 | 200 | 1750x775 | 2260 | 430 | 2690 | 7695.70.10 |
| Ном. розмір NS | Діаметр DN | OD, мм | L, мм | B, мм | C, ° | E, ° | ∅D, мм | H1, мм | H2, мм | H3, мм | H4, мм | H, мм |
|---|---|---|---|---|---|---|---|---|---|---|---|---|
| 2 | 100 | 110 | 1650 | 970 | 90 | -22,5 | 640 | 1300 | 1230 | 980 | 1050 | 1800 |
| 4 | 100 | 110 | 1750 | 1350 | 45 | 15 | 980 | 1400 | 1330 | 990 | 1010 | 1900 |
| 10 | 150 | 160 | 2200 | 1850 | 45 | 15 | 1500 | 1800 | 1730 | 990 | 1380 | 2320 |
| 20 | 200 | 200 | 2450 | 2100 | 45 | 0 | 1750 | 1900 | 1830 | 970 | 1490 | 2560 |
| 25 | 200 | 200 | 2450 | 2100 | 45 | 0 | 1750 | 2000 | 1930 | 970 | 1590 | 2560 |
LIPATOMAT - VA
Сепаратор жиру з нержавіючої сталі
Cепаратори, виготовлені з нержавіючої сталі AISI 304, мають вбудований відстійник та встановлюються в незамерзаючих приміщеннях. Надійна та міцна конструкція сепаратора забезпечує тривалий термін експлуатаціїї-25 років.
Технічні особливості:
- Оптимальне рішення для розташування в приміщеннях, де немає можливості прямого доступу асенізаційної машини
- Відповідіність нормам EN 1825-1 номінальних розмірів NS (4/10/20/25)
- Зона накопичення жиру та осаду має форму конусу
- Підключення труби входу/виходу DN 100/150 або 200 (OD 110/160 або 200)
- Герметична система, не пропускає запахи
- Вентиляційний міст для з'єднання вхідних та вихідних патрубків
- Автоматичне видалення жиру та осаду
- Електричний нагрівальний елемент для гомогенізації жирового шару
- Пристрій для заповнення з регулятором тиску
- Проба жиру для визначення максимального жирового шару
- Компресор постачання повітря для кулькових клапанів
- Пульт керування для змішувача, нагрівального елемента, пристрій заповнення, проба жиру, видалення жиру та осаду
| Ном. розмір NS | Діаметр DN | Розміри ∅DxH, мм | V жиру, л | Вага (порожній), кг | Вага (заповнений), кг | Артикул |
|---|---|---|---|---|---|---|
| 2 | 100 | 750x880 | 220 | 220 | 440 | 7672.70.10 |
| 4 | 100 | 980x445 | 480 | 260 | 760 | 7674.70.10 |
| 10 | 150 | 1500x650 | 1400 | 370 | 1770 | 7680.70.10 |
| 20 | 200 | 1750x775 | 2020 | 430 | 2450 | 7690.70.10 |
| 25 | 200 | 1750x775 | 2260 | 430 | 2690 | 7695.70.10 |
| Ном. розмір NS | Діаметр DN | OD, мм | L, мм | B, мм | C, ° | E, ° | ∅D, мм | H1, мм | H2, мм | H3, мм | H4, мм | H, мм |
|---|---|---|---|---|---|---|---|---|---|---|---|---|
| 2 | 100 | 110 | 1650 | 970 | 90 | -22,5 | 640 | 1300 | 1230 | 980 | 1050 | 1800 |
| 4 | 100 | 110 | 1750 | 1350 | 45 | 15 | 980 | 1400 | 1330 | 990 | 1010 | 1900 |
| 10 | 150 | 160 | 2200 | 1850 | 45 | 15 | 1500 | 1800 | 1730 | 990 | 1380 | 2320 |
| 20 | 200 | 200 | 2450 | 2100 | 45 | 0 | 1750 | 1900 | 1830 | 970 | 1490 | 2560 |
| 25 | 200 | 200 | 2450 | 2100 | 45 | 0 | 1750 | 2000 | 1930 | 970 | 1590 | 2560 |
LIPATOMAT ®-PE
Сепаратор жиру з поліетилену
Cепаратори, виготовлені з поліетилену РЕНD, мають вбудований відстійник та встановлюються в незамерзаючих приміщеннях. Надійна та міцна конструкція сепаратора забезпечує тривалий термін експлуатаціїї-25 років.
Технічні особливості:
- Оптимальне рішення для розташування в приміщеннях, де немає можливості прямого доступу асенізаційної машини
- Відповідіність нормам EN 1825-1 номінальних розмірів NS (4/10/20/25)
- Зона накопичення жиру та осаду має форму конусу
- Підключення труби входу/виходу DN 100/150 або 200 (OD 110/160 або 200)
- Вентиляційний міст для з'єднання вхідних та вихідних патрубків
- Автоматичне видалення жиру та осаду
- Електричний нагрівальний елемент для гомогенізації жирового шару
- Пристрій для заповнення з регулятором тиску
- Проба жиру для визначення максимального жирового шару
- Компресор постачання повітря для кулькових клапанів
- Пульт керування для змішувача, нагрівального елемента, пристрій заповнення, проба жиру, видалення жиру та осаду
| Ном. розмір NS | Діаметр DN | Розміри ∅DxH, мм | V жиру, л | Вага (порожній), кг | Вага (заповнений), кг | Артикул |
|---|---|---|---|---|---|---|
| 4 | 100 | 1130 x 835 | 570 | 240 | 810 | 3574.70.10 |
| 10 | 150 | 1660 x 630 | 1570 | 380 | 1950 | 3580.70.10 |
| 20 | 200 | 1920 x 700 | 2250 | 440 | 2690 | 3590.70.10 |
| 25 | 200 | 1920 x 700 | 2500 | 470 | 2970 | 3595.70.10 |
| Ном. розмір NS | Діаметр DN | OD, мм | L, мм | B, мм | ∅D, мм | H1, мм | H2, мм | H3, мм | H4, мм | H, мм |
|---|---|---|---|---|---|---|---|---|---|---|
| 4 | 100 | 110 | 1950 | 1350 | 1050 | 1400 | 1330 | 1050 | 1050 | 1850 |
| 10 | 150 | 160 | 2500 | 1850 | 1520 | 1800 | 1730 | 1060 | 1390 | 2320 |
| 20 | 200 | 200 | 2750 | 2050 | 1770 | 1900 | 1830 | 1060 | 1450 | 2560 |
| 25 | 200 | 200 | 2750 | 2050 | 1770 | 2000 | 1930 | 1060 | 1530 | 2560 |
LIPATOMAT ®-PE
Сепаратор жиру з поліетилену
Cепаратори, виготовлені з поліетилену РЕНD, мають вбудований відстійник та встановлюються в незамерзаючих приміщеннях. Надійна та міцна конструкція сепаратора забезпечує тривалий термін експлуатаціїї-25 років.
Технічні особливості:
- Оптимальне рішення для розташування в приміщеннях, де немає можливості прямого доступу асенізаційної машини
- Відповідіність нормам EN 1825-1 номінальних розмірів NS (4/10/20/25)
- Зона накопичення жиру та осаду має форму конусу
- Підключення труби входу/виходу DN 100/150 або 200 (OD 110/160 або 200)
- Вентиляційний міст для з'єднання вхідних та вихідних патрубків
- Автоматичне видалення жиру та осаду
- Електричний нагрівальний елемент для гомогенізації жирового шару
- Пристрій для заповнення з регулятором тиску
- Проба жиру для визначення максимального жирового шару
- Компресор постачання повітря для кулькових клапанів
- Пульт керування для змішувача, нагрівального елемента, пристрій заповнення, проба жиру, видалення жиру та осаду
| Ном. розмір NS | Діаметр DN | Розміри ∅DxH, мм | V жиру, л | Вага (порожній), кг | Вага (заповнений), кг | Артикул |
|---|---|---|---|---|---|---|
| 4 | 100 | 1130 x 835 | 570 | 240 | 810 | 3574.70.10 |
| 10 | 150 | 1660 x 630 | 1570 | 380 | 1950 | 3580.70.10 |
| 20 | 200 | 1920 x 700 | 2250 | 440 | 2690 | 3590.70.10 |
| 25 | 200 | 1920 x 700 | 2500 | 470 | 2970 | 3595.70.10 |
| Ном. розмір NS | Діаметр DN | OD, мм | L, мм | B, мм | ∅D, мм | H1, мм | H2, мм | H3, мм | H4, мм | H, мм |
|---|---|---|---|---|---|---|---|---|---|---|
| 4 | 100 | 110 | 1950 | 1350 | 1050 | 1400 | 1330 | 1050 | 1050 | 1850 |
| 10 | 150 | 160 | 2500 | 1850 | 1520 | 1800 | 1730 | 1060 | 1390 | 2320 |
| 20 | 200 | 200 | 2750 | 2050 | 1770 | 1900 | 1830 | 1060 | 1450 | 2560 |
| 25 | 200 | 200 | 2750 | 2050 | 1770 | 2000 | 1930 | 1060 | 1530 | 2560 |
LIPATOMAT - VA
Сепаратор жиру з нержавіючої сталі
Cепаратори, виготовлені з нержавіючої сталі AISI 304, мають вбудований відстійник та встановлюються в незамерзаючих приміщеннях. Надійна та міцна конструкція сепаратора забезпечує тривалий термін експлуатаціїї-25 років.
Технічні особливості:
- Оптимальне рішення для розташування в приміщеннях, де немає можливості прямого доступу асенізаційної машини
- Відповідіність нормам EN 1825-1 номінальних розмірів NS (4/10/20/25)
- Зона накопичення жиру та осаду має форму конусу
- Підключення труби входу/виходу DN 100/150 або 200 (OD 110/160 або 200)
- Герметична система, не пропускає запахи
- Вентиляційний міст для з'єднання вхідних та вихідних патрубків
- Автоматичне видалення жиру та осаду
- Електричний нагрівальний елемент для гомогенізації жирового шару
- Пристрій для заповнення з регулятором тиску
- Проба жиру для визначення максимального жирового шару
- Компресор постачання повітря для кулькових клапанів
- Пульт керування для змішувача, нагрівального елемента, пристрій заповнення, проба жиру, видалення жиру та осаду
| Ном. розмір NS | Діаметр DN | Розміри ∅DxH, мм | V жиру, л | Вага (порожній), кг | Вага (заповнений), кг | Артикул |
|---|---|---|---|---|---|---|
| 2 | 100 | 750x880 | 220 | 220 | 440 | 7672.70.10 |
| 4 | 100 | 980x445 | 480 | 260 | 760 | 7674.70.10 |
| 10 | 150 | 1500x650 | 1400 | 370 | 1770 | 7680.70.10 |
| 20 | 200 | 1750x775 | 2020 | 430 | 2450 | 7690.70.10 |
| 25 | 200 | 1750x775 | 2260 | 430 | 2690 | 7695.70.10 |
| Ном. розмір NS | Діаметр DN | OD, мм | L, мм | B, мм | C, ° | E, ° | ∅D, мм | H1, мм | H2, мм | H3, мм | H4, мм | H, мм |
|---|---|---|---|---|---|---|---|---|---|---|---|---|
| 2 | 100 | 110 | 1650 | 970 | 90 | -22,5 | 640 | 1300 | 1230 | 980 | 1050 | 1800 |
| 4 | 100 | 110 | 1750 | 1350 | 45 | 15 | 980 | 1400 | 1330 | 990 | 1010 | 1900 |
| 10 | 150 | 160 | 2200 | 1850 | 45 | 15 | 1500 | 1800 | 1730 | 990 | 1380 | 2320 |
| 20 | 200 | 200 | 2450 | 2100 | 45 | 0 | 1750 | 1900 | 1830 | 970 | 1490 | 2560 |
| 25 | 200 | 200 | 2450 | 2100 | 45 | 0 | 1750 | 2000 | 1930 | 970 | 1590 | 2560 |
LIPATOMAT - VA
Сепаратор жиру з нержавіючої сталі
Cепаратори, виготовлені з нержавіючої сталі AISI 304, мають вбудований відстійник та встановлюються в незамерзаючих приміщеннях. Надійна та міцна конструкція сепаратора забезпечує тривалий термін експлуатаціїї-25 років.
Технічні особливості:
- Оптимальне рішення для розташування в приміщеннях, де немає можливості прямого доступу асенізаційної машини
- Відповідіність нормам EN 1825-1 номінальних розмірів NS (4/10/20/25)
- Зона накопичення жиру та осаду має форму конусу
- Підключення труби входу/виходу DN 100/150 або 200 (OD 110/160 або 200)
- Герметична система, не пропускає запахи
- Вентиляційний міст для з'єднання вхідних та вихідних патрубків
- Автоматичне видалення жиру та осаду
- Електричний нагрівальний елемент для гомогенізації жирового шару
- Пристрій для заповнення з регулятором тиску
- Проба жиру для визначення максимального жирового шару
- Компресор постачання повітря для кулькових клапанів
- Пульт керування для змішувача, нагрівального елемента, пристрій заповнення, проба жиру, видалення жиру та осаду
| Ном. розмір NS | Діаметр DN | Розміри ∅DxH, мм | V жиру, л | Вага (порожній), кг | Вага (заповнений), кг | Артикул |
|---|---|---|---|---|---|---|
| 2 | 100 | 750x880 | 220 | 220 | 440 | 7672.70.10 |
| 4 | 100 | 980x445 | 480 | 260 | 760 | 7674.70.10 |
| 10 | 150 | 1500x650 | 1400 | 370 | 1770 | 7680.70.10 |
| 20 | 200 | 1750x775 | 2020 | 430 | 2450 | 7690.70.10 |
| 25 | 200 | 1750x775 | 2260 | 430 | 2690 | 7695.70.10 |
| Ном. розмір NS | Діаметр DN | OD, мм | L, мм | B, мм | C, ° | E, ° | ∅D, мм | H1, мм | H2, мм | H3, мм | H4, мм | H, мм |
|---|---|---|---|---|---|---|---|---|---|---|---|---|
| 2 | 100 | 110 | 1650 | 970 | 90 | -22,5 | 640 | 1300 | 1230 | 980 | 1050 | 1800 |
| 4 | 100 | 110 | 1750 | 1350 | 45 | 15 | 980 | 1400 | 1330 | 990 | 1010 | 1900 |
| 10 | 150 | 160 | 2200 | 1850 | 45 | 15 | 1500 | 1800 | 1730 | 990 | 1380 | 2320 |
| 20 | 200 | 200 | 2450 | 2100 | 45 | 0 | 1750 | 1900 | 1830 | 970 | 1490 | 2560 |
| 25 | 200 | 200 | 2450 | 2100 | 45 | 0 | 1750 | 2000 | 1930 | 970 | 1590 | 2560 |










