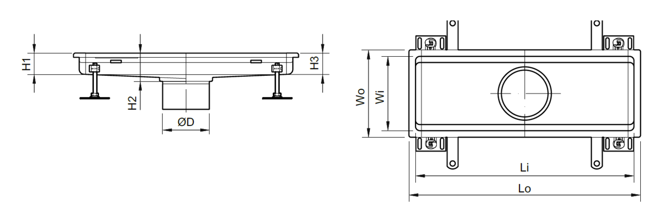
Технічні характеристики:
- Євроканали відповідають вимогам стандартів гігієни EHEDG 8, 13, 44; EN 1672 та EN ISO 14159;
- Повний цикл обробки та пасивація;
- Ширина каналу: від 200 мм до 800 мм;
- Довжина каналу: за індивідуальним запитом;
- Глибина каналу: за індивідуальним запитом;
- Різні варіанти розташування випуску;
- Підключення до трапів: серії 142, серії 157, серії 218;
- Варіанти кромок: стандартна, з фланцем, для вінілових підлог;
- Сифон з нержавіючої сталі, що легко виймається та очищується;
- Кромка з заповненням;
- Дно V-подібної форми шириною <300 мм;
- Армоване дно шириною > 400 мм;
- Мінімальний поздовжній ухил - 1%; мінімальний ухил секції - 5°;
- Легке та надійне з’єднання нижньої частини трапа з каналом;
- Ніжки для регулювання по висоті 60-110 мм;
- Анкери для кріплення в бетоні;
- Гігієнічні решітки з поверхнею, стійкою до ковзання;
- Можлива опція - захисна кришка.
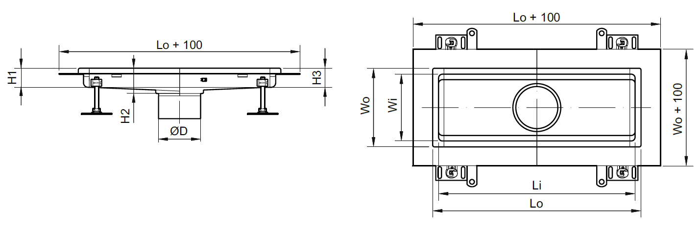
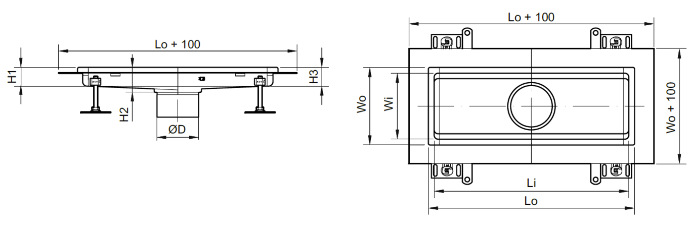
Технічні характеристики:
- Євроканали відповідають вимогам стандартів гігієни EHEDG 8, 13, 44; EN 1672 та EN ISO 14159;
- Повний цикл обробки та пасивація;
- Ширина каналу: від 200 мм до 800 мм;
- Довжина каналу: за індивідуальним запитом;
- Глибина каналу: за індивідуальним запитом;
- Різні варіанти розташування випуску;
- Підключення до трапів: серії 142, серії 157, серії 218;
- Варіанти кромок: стандартна, з фланцем, для вінілових підлог;
- Сифон з нержавіючої сталі, що легко виймається та очищується;
- Кромка з заповненням;
- Дно V-подібної форми шириною <300 мм;
- Армоване дно шириною > 400 мм;
- Мінімальний поздовжній ухил - 1%; мінімальний ухил секції - 5°;
- Легке та надійне з’єднання нижньої частини трапа з каналом;
- Ніжки для регулювання по висоті 60-110 мм;
- Анкери для кріплення в бетоні;
- Гігієнічні решітки з поверхнею, стійкою до ковзання;
- Можлива опція - захисна кришка.



